| Characteristics | ||
|---|---|---|
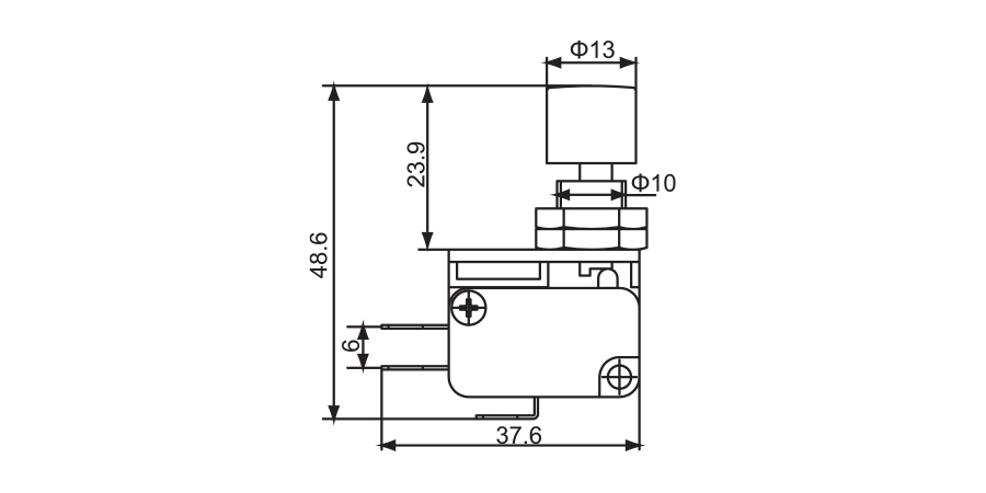
| Type Item | MNPS 10 type | |
| Operation speed | 0.1mm~1m/s (Button type) | |
| Operating frequency | Mechanical:240 operations/ min Electrical:20 operations/min | |
| Contact resistance | 15mΩ max. (initial value) | |
| Withstand voltage | Non-continuous terminals | 1000VAC, 50/60 Hz for 1 minute |
| currentcarrying and non-currentcarrying metal parts, Between terminal and earthing | 1500VAC, 50/60 Hz for 1 minute | |
| Vibration | 10 to 55Hz, 1.5mm pairs swing | |
| Shock | Durable | Maximum 1000 m/S2 (100G) |
| Misoperation | Maximum 200 m/S2 (100G) | |
| Life | Mechanical | 1 Million |
| Electrical | 0.5 Million | |
| Humidity | (+5~+35°C) Below 85% RH | |
| Utilization Category for Limit Switches | ||
|---|---|---|
| Kind of Current | Category | Typical Application |
| Alternative Current | AC-15 | Control of Electromagnetic Load > 72 VA |
| Direct Current | DC-13 | Control of Electromagnets |
| Contact Rating Designation Based on Utilization Catagories | ||||||||||
|---|---|---|---|---|---|---|---|---|---|---|
| Designation | Utilization Catagory | Conventional Enclosed Thermal Current | Rated Operational Current (A) at Rated Operational Voltage | VA Ratings | ||||||
| Resistance Load | 120 V | 240 V | 380 V | 480 V | 500 V | 600 V | Make | Break | ||
| AC-15 | 10 | 6 | 3 | - | - | - | - | - | 7200 | 720 |
| Direct Current | 125V | 250 V | 400 V | 500 V | 600 V | Make | Break | |||
| P600 | DC-13 | 5 | 1.1 | 0.55 | 0.31 | 0.27 | 0.2 | 138 | 138 | |