• Cart ImageVilleroy & Boch Sink 1 × $756.00
  • Cart ImageRed Pipe Wrench 1 × $723.00
  • Cart ImageStanley Screw Gun 1 × $1080.00
  • Subtotal: $4398.00

    View cart Checkout

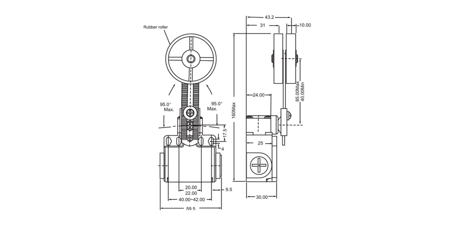
    SLPBS3F7

    FEATURES

    •  Rigid Construction with plastic body & cover 
    • Made in engineering plastic with high mechanical strength & heat sustenance capacity .
    •  Cable entry from side with provision of cable gland PG 13.5/ M 20 . 
    • Oil , water & dust proof .
    • Mechanical life - 1 Million & Electrical life - 0.5 Million
    • . Available in different actuators to suit different application . 
    • Contacts: Snap Action 1 NO + 1 NC
    icon
    WE ARE OPEN MONDAY-SATURDAY

    09:00 am - 7:00 pm

    icon
    Have A Question?

    +91 8390114332

    +91 9518945856

    icon
    Any question? email us!

    ROOPLAXMI83@GMAIL.COM